Для автовладельцев внедорожника, важным аспектом является комфорт при длительных поездках. Одна из наиболее полезных функций – это система, позволяющая поддерживать заданную скорость без постоянного нажатия на педаль акселератора. Необходимость в этом может возникнуть как во время поездок по трассе, так и на загруженных участках, где выдерживание скорости существенно снижает утомляемость.
Процесс установки данной системы требует внимательности и наличия определённых технических знаний. Прежде всего, необходимо обеспечить совместимость компонентов. Для этого стоит ознакомиться с электрической схемой автомобиля и параметрами блока управления. На большинстве моделей, поддерживающих эту опцию, существует специальный разъём для подключения, что упрощает процедуру монтажа.
Рекомендуется заранее подготовить необходимые инструменты и компоненты, такие как чёрные и красные провода, разъёмы, а также мультиметр. Изучение технической документации, сопровождающей автомобиль, поможет избежать ошибок и упростит процесс интеграции системы. В случае затруднений также можно проконсультироваться с мастерами в сервисных центрах, которые имеют опыт в подобной установке.
- Необходимые инструменты для установки системы управления скоростью
- Схема подключения электрических проводов
- Выбор подходящей модели системы контроля скорости
- Пошаговый процесс монтажа системы
- Калибровка системы управления скоростью после установки
- Проверка работоспособности системы
- Устранение распространенных проблем с системой автопилота
- Советы по эксплуатации на внедорожнике
Необходимые инструменты для установки системы управления скоростью
Для успешного монтажа системы управления скоростью потребуется набор инструментов и материалов. Ниже приведены основные элементы, которые стоит иметь под рукой:
- Набор ключей и головок: Минимум 10-19 мм, включая ключи для работы с болтами крепления.
- Отвертки: Набор крестовых и плоских отверток для различных креплений и разъемов.
- Мультиметр: Для проверки электрических соединений и диагностики системы.
- Кусачки: Для обрезки проводов при необходимости.
- Изолента: Для защитной изоляции соединений.
- Клеммы и разъемы: Набор различных типов для соединения проводов.
- Дрель и сверла: Если требуется просверлить дополнительные отверстия для крепления элементов.
- Торцовые ключи: Для доступа к труднодоступным местам сквозь защитные кожухи.
- Паяльник: В случае необходимости надежного соединения проводов.
Перед началом работы рекомендуется ознакомиться с инструкцией по установке и подготовить все необходимые материалы. Это позволит избежать лишних задержек и упростит процесс монтажа.
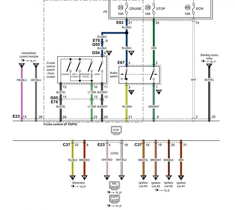
Схема подключения электрических проводов
1. Подключите провода к блоку управления. Выделите следующие цвета: черный (земля), красный (питание), желтый (сигнал от переключателя установленного на руле).
2. Схема дает возможность использовать дополнительные компоненты, такие как реле, для повышения надежности работы. Рекомендуется подключить реле между блоком управления и источником питания. Это поможет разгрузить основной блок и снизит вероятность возникновения короткого замыкания.
3. Специальные замеры напряжения на каждом этапе подключения обязательны. Используйте мультиметр для проверки наличия питания на красном проводе и корректности сигнала на желтом.
4. Обращайте внимание на соединения. Используйте термоусадочные трубки для изоляции мест спайки, чтобы избежать случайного короткого замыкания.
5. Важно удостовериться, что все провода надежно закреплены и не мешают другим системам автомобиля. Проводка должна быть проложена таким образом, чтобы избежать механического повреждения.
6. Завершив работы, сделайте тест-драйв. Проверьте, как система реагирует на команды, чтобы убедиться в стабильности всего механизма.
Выбор подходящей модели системы контроля скорости
Существует несколько моделей систем для управления скоростью, каждая из которых обладает уникальными особенностями. При выборе важно учитывать тип автомобиля, используемые функции и совместимость с существующей электроникой.
Один из ключевых аспектов — тип системы: механическая или электронная. Механические варианты просты в установке и имеют меньшую стоимость, однако их функциональность ограничена. Электронные системы предлагают широкий спектр возможностей, таких как адаптация к изменению условий на дороге и возможность запоминания заданных скоростей.
При выборе системы стоит обратить внимание на степенную автоматизацию. Некоторые модели предлагают только основные функции, такие как поддержание заданной скорости, в то время как другие могут адаптироваться к трафику, модифицируя скорость автоматически. Это позволит повысить комфортность вождения и снизить нагрузку в длительных поездках.
Совместимость с системой управления автомобилем также важна. Необходимо изучить спецификации выбранной модели и убедиться, что она подходит для установки в ваш экземпляр. Дополнительные адаптеры и модули могут потребоваться для обеспечения функционирования. Вопросы установки лучше обсудить с квалифицированным специалистом или сервисом, чтобы избежать проблем в процессе эксплуатации.
Наконец, важно учитывать отзывчивость и поддержку бренда. Изучите мнения пользователей о выбранной системе, рейтинг надежности и доступность запчастей. Убедитесь, что выбранное устройство будет легко исправить или обслужить в случае необходимости.
Пошаговый процесс монтажа системы
Для установки новой системы на ваш автомобиль выполните следующие действия:
Шаг 1: Подготовьте рабочее пространство. Убедитесь, что у вас есть все необходимые инструменты: отвертки, ключи, мультиметр и защитные перчатки. Также подготовьте новый комплект системы, который должен содержать все необходимые элементы для установки.
Шаг 2: Отключите аккумулятор. Перед началом работы отсоедините отрицательную клемму аккумулятора для предотвращения короткого замыкания во время монтажа.
Шаг 3: Получите доступ к кабельной системе. Снимите обшивку под рулевой колонкой, чтобы получить доступ к проводам. Обычно это можно сделать, выкрутив несколько винтов и аккуратно поддев обшивку.
Шаг 4: Изучите руководство. Ознакомьтесь с инструкцией по установке нового оборудования. В ней описаны все необходимые подключения и расположение проводов.
Шаг 5: Подсоедините контролирующие провода. Внимательно соедините провода согласно схеме, указанной в инструкции. Используйте соединители для надежного соединения и изолируйте открытые участки, чтобы избежать повреждений.
Шаг 6: Установите датчики. Разместите датчики на соответствующих местах, следуя рекомендациям производителя. Убедитесь, что они надежно закреплены и имеют доступ к необходимым сигналам.
Шаг 7: Проверьте систему. Подключите аккумулятор и протестируйте работу установленного устройства. Убедитесь, что параметры функционируют исправно и отображаются на приборной панели.
Шаг 8: Завершите сборку. Установите обратно обшивку и убедитесь, что все детали хорошо зафиксированы. Уберите инструменты и очистите рабочее пространство.
Следуя этим шагам, вы сможете успешно установить новую систему комфорта в своём автомобиле. Удачи в работе!
Калибровка системы управления скоростью после установки
После установки системы управления скоростью важно провести правильную калибровку. Это позволит обеспечить корректную работу устройства и высокую безопасность во время эксплуатации. Процесс включает несколько ключевых шагов:
- Проверка подключения датчиков: Убедитесь, что все датчики, отвечающие за скорость, установлены правильно и не имеют повреждений. Особое внимание уделите подсоединению к бортовому компьютеру.
- Настройка параметров системы: Введите значения, соответствующие вашему транспортному средству. Это можно сделать через интерфейс системы или при помощи специализированного диагностического оборудования.
- Тестирование на загородной дороге: Проведите тест, выбрав подходящую ровную трассу. Установите необходимую скорость и проверьте реакцию автомобиля. Система должна поддерживать заданную скорость без резких колебаний.
Если устройство не работает должным образом, вернитесь к первому этапу для проверки подключения, а затем повторите процедуру настройки параметров.
| Этап | Описание |
|---|---|
| Проверка подключения | Убедитесь в правильности установки датчиков и их исправности. |
| Настройка параметров | Введите специфические для вашего автомобиля данные. |
| Тестирование | Проверьте работу системы в реальных условиях на трассе. |
По завершению всех шагов рекомендуется повторить тестирование несколько раз, чтобы убедиться, что система работает стабильно. При необходимости настройте параметры для достижения оптимальных результатов на разных типах дорожного покрытия.
Проверка работоспособности системы
Перед тем как использовать автоматический контроль скорости, необходимо убедиться в его исправности. Для этого стоит выполнить несколько проверок.
-
Визуальный осмотр:
- Проверьте провода и разъемы на наличие повреждений.
- Убедитесь в чистоте датчиков и их целостности.
-
Тестирование функционала:
- Включите мотор и установите скорость на трассе.
- Активируйте систему, следуя инструкциям на приборной панели.
-
Проверка работы с педалями:
- Убедитесь, что система отключается при нажатии на тормоза.
- Проверьте, как реагирует механизм при отпускании акселератора.
-
Диагностика ошибок:
- Используйте диагностический сканер для проверки кодов ошибок.
- Проверьте записи о возможных неполадках в системе.
При обнаружении несоответствий рекомендуется обратиться к специалистам для устранения неполадок. Неправильно функционирующая система может привести к неприятным последствиям на дороге.
Устранение распространенных проблем с системой автопилота

Несоответствие в работе системы может проявляться в различных формах, и важно уметь их диагностировать. Например, если устройство не реагирует на команды активации, стоит проверить предохранители и соединения в проводке. Нередко проблема оказывается связанной с сбоем электрической схемы или износом кнопок управления.
Если система отключается во время движения, это может указывать на неисправность датчиков скорости или проблемы с тормозной системой. В таких случаях необходимо проверить состояния тормозного механизма и также убедиться в работоспособности датчиков.
Неправильно установленные или поврежденные элементы также могут стать причиной проблем. Регулярное техническое обслуживание позволит избежать износа проводки и соединительных узлов, что напрямую влияет на качество работы устройства.
Отключение или резкие изменения в работе могут свидетельствовать о сбоях в программном обеспечении. Обновление программного обеспечения и сброс системы часто может решить такие проблемы, восстановив нормальное функционирование.
Кроме того, стоит обратить внимание на уровень системы охлаждения, поскольку перегрев может негативно сказаться на стабильности работы механизма. Регулярная проверка состояния всех компонентов – это залог долговечности системы.
Советы по эксплуатации на внедорожнике

Следуйте рекомендациям производителя относительно интервалов замены масла и фильтров. Использование качественных материалов, соответствующих стандартам, обеспечит надежную работу мотора и его долголетие. Не забывайте про воздушный фильтр – его замена способствует лучшему воздухообмену и улучшает экономию топлива.
Контроль давления в шинах значительно влияют на безопасность и расход горючего. Оптимальное давление обеспечивает лучшую управляемость и комфорт при движении. Обязательно проверяйте состояние протектора, так как износ может отрицательно сказаться на сцеплении с дорогой.
Следите за уровнем и состоянием аккумулятора. Периодически очищайте клеммы от коррозии. Правильная эксплуатация электрической системы улучшает запуск в холодное время года и повышает надежность работы всех электронных компонентов.
Регулярно проводите осмотр ходовой части и тормозной системы. Слушайте любые необычные звуки при движении – это может сигнализировать о необходимости технического вмешательства. Своевременная диагностика поможет избежать крупных неисправностей.
Внимательно относитесь к сигналам приборной панели. При появлении каких-либо предупреждений обращайтесь к специалисту для диагностики. Не игнорируйте индикации, так как они могут указывать на серьезные проблемы.
Следите за чистотой кузова и интерьера. Своевременная мойка и полировка не только придадут эстетический вид, но и защитят лакокрасочное покрытие от воздействий окружающей среды. Использование специализированных средств поможет сохранить поверхность в идеальном состоянии.
Для безопасной эксплуатации не забывайте о технических осмотрах. Соблюдение всех предписаний позволит обеспечить надежность и долговечность вашего авто. Залогом успешного использования является внимательное отношение к каждой детали.







